首页
产品
智能车机
360°全景
记录仪
车载配件
智能车机
ES4
EC2
X3
X3 Pro智能车机
更多
FA系列
X2-Pro
GS2_Pro
ES2
X2
大众MQB原厂款
ACE
GX酷享版
GS2
ES1
GE
X1
GXIV
开拓者6S系列
360°全景
GT2
V2
GT1
更多
SV1
V1
记录仪
流媒体智能后视镜
Flyaudio AR实景行车记录仪
隐藏式专车专用行车记录仪
隐藏式通用行车记录仪
更多
FHD行车记录仪
HD行车记录仪
车载配件
吸顶智能电视
轻奢版喇叭
优雅版喇叭
黄金版喇叭
资讯
企业动态
产品资讯
媒体报道
服务
产品验证
售后服务
产品文档
销售网络
下载
软件升级
安装教程
用户手册
宣传资料
在线商城
天猫旗舰店
京东旗舰店
经销商查询
31个省市自治区
500多个城市
1800+飞歌销售网点
我们就在您的身边
经销商查询
选择省份
选择省份
选择市/区
查询
关闭
首页
/
产品文档
/产品文档
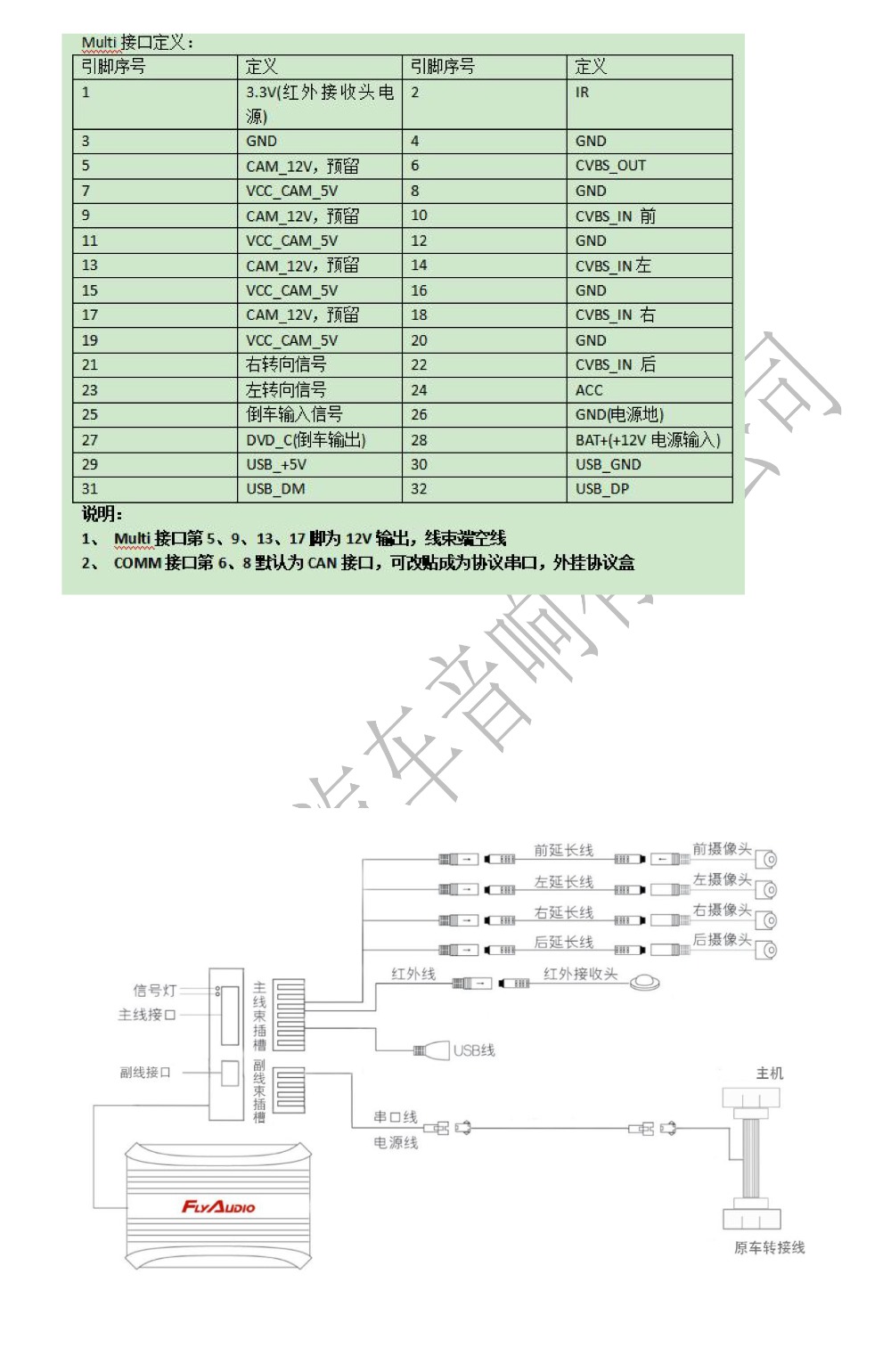
飞歌360°全景行车辅助系统——协议一体机操作说明书
2020-12-15
上一页:
Flyaudio 360°全景行车辅助系统——V2安装及使用说明
下一页:
Flyaudio新记录仪使用说明书
关注我们
400-700-8180